Monday – Friday 10 AM – 7 PM

Low Volume Test Filter Housing

Optimized test filter housing
for the ink jet R&D laboratory

The Pall® Low Volume Test Filter Housing from the M01SS range has been specifically developed to meet the requirements of the ink jet R&D laboratory. The system offers a cost effective solution for all process optimizations such as ink formulation prior to complete scale-up.

Features and Benefits

  • Single cartridge housing accepts Pall double open end test filters
  • Robust, all stainless steel construction
  • Accepts Pall test filters with 1-2 in. (2.5 – 5.1cm) nominal length
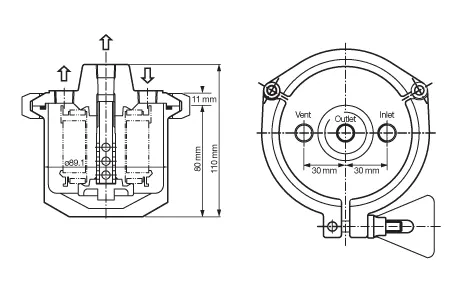
  • Inlet, outlet and vent ports conveniently located on housing top
  • Low hold-up volume for minimal fluid loss
  • Heavy duty v-band clamp features a quick opening t-handle
  • Self-supporting on flat surface with no stand or bracket required
  • Electropolished finish for easy clean-up

Specifications

Dimensional Drawing

Performance

Typical Liquid Flow Rate versus Differential Pressure

Additional Information

Materials of Construction

Housing Head / Bowl: 304 stainless steel
Seal: EPR (metric size G90)
Connections Inlet/Outlet/Vent: 14 in. NPT
Operating Conditions(1) Design Ratings: 71 psig / 4.9 barg @ 104 °F / 40 °C

(1) Fluids that do not soften, swell or adversely affect the filter or materials of construction

Ordering Information / Part Numbers

(This is a guide to the part numbering structure only. For availability of specific options, please contact Pall)

Filter Housing Part Number: M01SS-01GN4JV-BE

Laboratory Test Filter Options

Filter Family Removal Rating Test Filter Part Number
Pall Profile® II 0.3 μm
0.5 μm
1 μm
3 μm
5 μm
5EC4888-389-003J
5EC4888-389-005J
5EC4888-389-010J
5EC4888-389-030J
5EC4888-389-050J
Pall Nexis® A 0.5 μm
1 μm
3 μm
5 μm
10 μm
NXA 0.5-TFU-DOEE 047
NXA 1-TFU-DOEE 047
NXA 3-TFU-DOEE 047
NXA 5-TFU-DOEE 047
NXA 10-TFU-DOEE 047
Pall Water-Fine 0.1 μm
0.2 μm
0.45 μm
WFN 0.1-TFUE 147
WFN 0.2-TFUE 147
WFN 0.45-TFUE 147
Pall Ultipor® N66 0.2 μm PUY01NAEYJ
Pall Profile Star 1 μm
1.5 μm
3 μm
5 μm
H1A1A0101J
H1A1A0151J
H1A1A0301J
H1A1A0501J
Pall Poly-Fine® XLD 1.5 μm
3 μm
4.5 μm
10 μm
XLD 1.5-TFUE 147
XLD 3-TFUE 147
XLD 4.5-TFUE 147
XLD 10-TFUE 147
Pall Ultipor GF Plus® 0.1 μm
0.45 μm
1 μm
2 μm
3 μm
6 μm
10 μm
PUY01ZU001ZJ
PUY01ZU0045J
PUY01ZU010ZJ
PUY01ZU220ZJ
PUY01ZU030ZJ
PUY01ZU640ZJ
PUY01ZU100ZJ

Get In Touch

Please fill out the form below with your details and message, and we'll get back to you as soon as possible.

Name*
Phone
Email*
Company*
Your Question*
I would like to receive more information about ABLROOTS INDUSTRIES products and services, and related product and services from ABLROOTS INDUSTRIES related companies via email or phone.

More Products

Ultra Clean Water Filtration Skid

Product Type: Systems

Segment: Semiconductor

View Details Add to Quote

Asymmetric P-Nylon Filter

Product Type: Filter Cartridges

Segment: Semiconductor

View Details Add to Quote

Pall Aria™ FB Automatic Backwashable Water Filtration Systems

Product Type: Systems

Segment: Beer (Corporate), Beer (Craft/Micro Breweries), Bottled Water, Cider, Dairy, Juice, Soft Drinks, Wine

View Details Add to Quote